Канальный вентилятор (низкопрофильный) Soler & Palau TD EVO-100 VAR
TD-EVO - это новая серия низкопрофильных круглых канальных вентиляторов с диагональными лопатками.
Модельный ряд состоит из нескольких типоразмеров с максимальным расходом воздуха от 210 до 1840 м3/ч.
Оптимизированная конструкция крыльчатки, направляющего аппарата и обтекателя на выходе воздуха позволяют увеличить производительность и снизить уровень шума вентилятора.
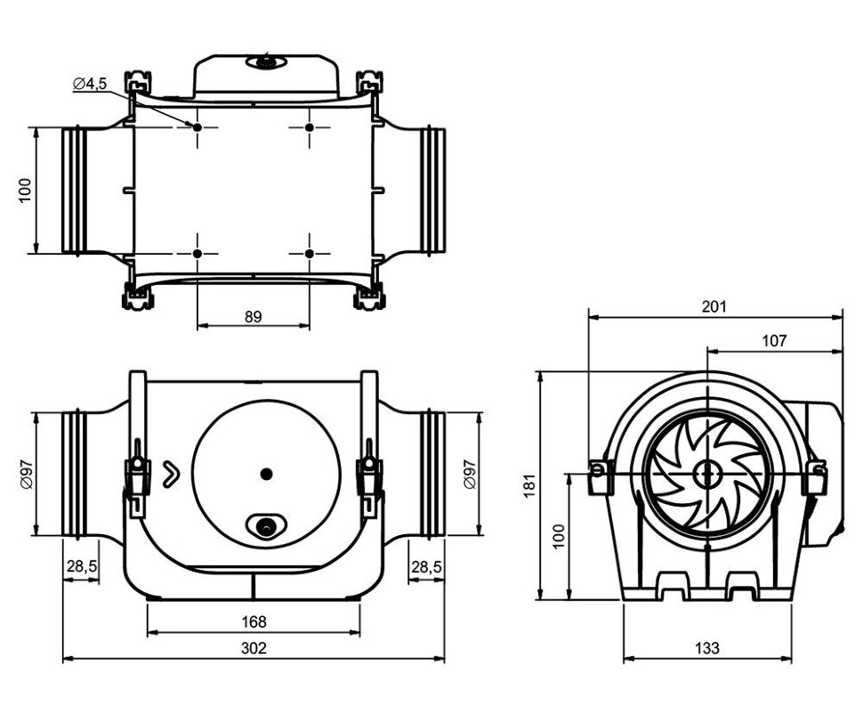
Вентиляторы изготавливаются из прочного высококачественного пластика. Уникальная конструкция корпуса и монтажного кронштейна позволяет производить обслуживание вентилятора без демонтажа воздуховодов. Воздухонепроницаемость прилегания центральной части вентилятора и монтажного кронштейна обеспечивают литые резиновые уплотнители.
Патрубки для присоединения воздуховодов также оснащены резиновыми уплотнителями.
Электродвигатели крепятся к корпусу при помощи резиновых “сайлент-блоков”, которые предотвращают передачу вибраций на корпус и обеспечивают пониженный шум от вентилятора, даже при регулировании скорости. Рабочие температуры от -20°С до +60°С.
TD-EVO-VAR
Модели TD-EVO-VAR оснащаются односкоростными электродвигателями переменного тока со встроенным регулятором скорости, с таймером и возможностью удаленного управления по сигналу 0-10В.
Максимальные рабочие характеристики моделей TD-EVO-VAR соответствуют кривой “HS” на графиках рабочих характеристик вентиляторов TD-EVO.
Вентилятор предназначен для использования в системах вентиляции и должен применяться в среде обычного, чистого воздуха, без каких-либо примесей. Не используйте данный вентилятор во взрывоопасной и коррозийной среде.
Не рекомендуется использовать вентилятор для отвода воздуха от кухонных вытяжных зонтов, мангалов, каминов и химических шкафов.
| Мин. рабочая температура: | -20 °С |
| Серия: | TD EVO |
| Вес: | 1.7 |
| Объём расхода воздуха: | 210 куб. м/час |
| Уровень шума: | 31 дБ |
| Страна производства: | Испания |
| Диаметр: | 100 мм |
| Производитель: | Soler & Palau |
| Тип термозащиты: | Встроенная |
| Макс. рабочая температура: | 60 °С |
| Частота вращения: | 2450 об/мин |
| Макс. площадь помещения, м2: | 55 |
| Ток (А): | 0.1 |
| Цвет: | белый |
Авторизуйтесь, чтобы оставить отзыв: Войти









